索引号: |
003092166/202211-00197 |
信息分类: |
办事指南 |
内容分类: |
|
发文日期: |
2025-02-07 |
发布机构: |
淮北市自然资源和规划局烈山分局 |
生成日期: |
2025-02-07 |
生效日期: |
有效 |
废止时间: |
暂无 |
文 号: |
|
关键词: |
办事指南 |
内容概述: |
|
索引号: |
003092166/202211-00197 |
信息分类: |
办事指南 |
内容分类: |
|
发文日期: |
2025-02-07 |
发布机构: |
淮北市自然资源和规划局烈山分局 |
生成日期: |
2025-02-07 |
生效日期: |
|
废止时间: |
暂无 |
文 号: |
|
关键词: |
办事指南 |
内容概述: |
|
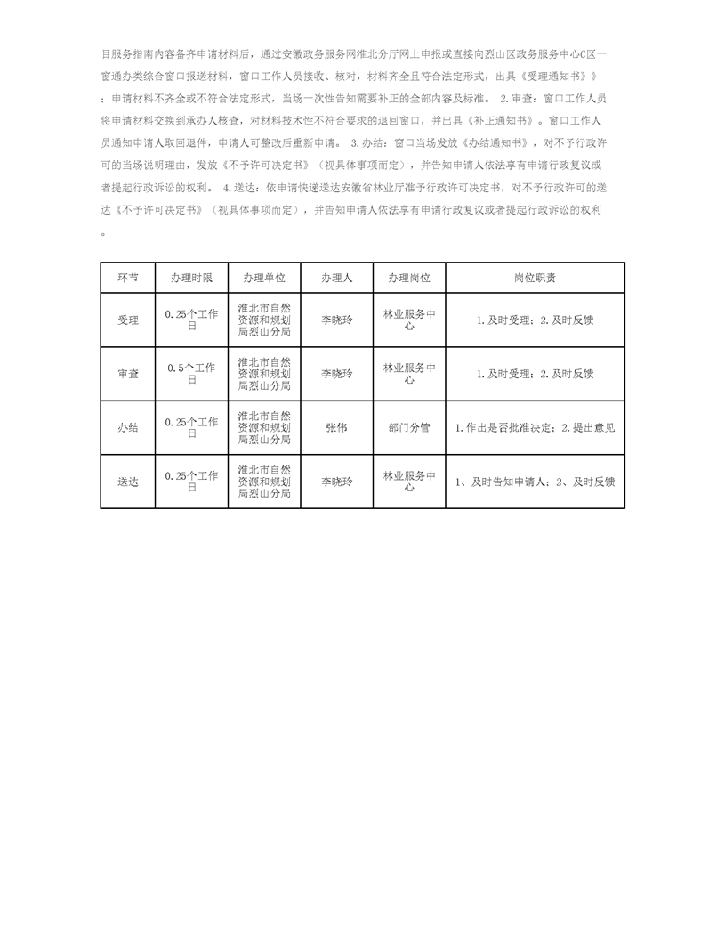
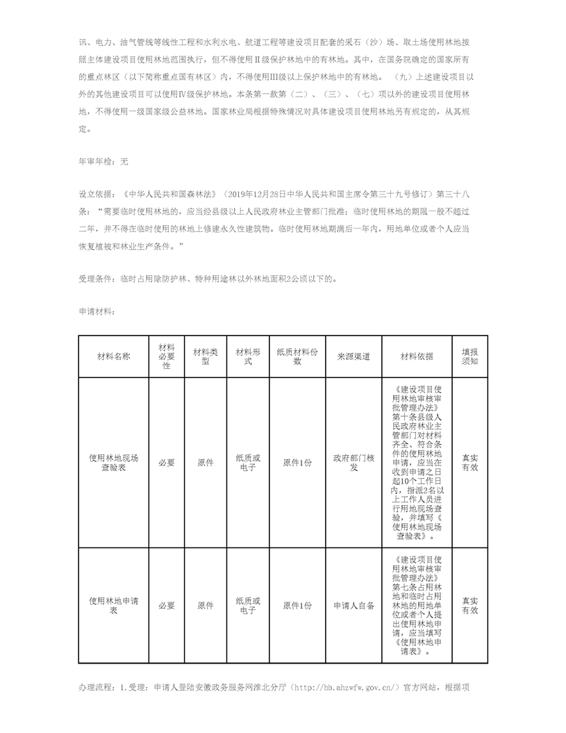
【办事指南】临时使用林地审批(县级权限)